A nagy teljesítményű, 1653,7 nm-es lézermodul sík konstrukciót alkalmaz chippel az alvivőn. A magas A power chip hermetikusan zárva van egy epoxi- és folyasztószer-mentes 14 tűs pillangócsomagban, és fel van szerelve termisztor, termoelektromos hűtő és monitordióda a kiváló minőségű lézerteljesítmény biztosítása érdekében. Az 1653 nm-es, 40 mW-os BTF lézerdióda metángáz detektálásához Telcordia GR-468 minősítéssel rendelkezik, és megfelel az RoHS irányelveknek.
A nagy teljesítményű, 1653,7 nm-es lézermodul sík konstrukciót alkalmaz chippel az alvivőn. A nagy teljesítményű chip hermetikusan lezárt epoxi- és fluxusmentes 14 tűs pillangós csomagban, és termisztorral, termoelektromos hűtővel és monitordiódával van felszerelve a kiváló minőségű lézerteljesítmény biztosítása érdekében. Lézertermékeink Telcordia GR-468 minősítéssel rendelkeznek, és megfelelnek az RoHS irányelveknek.
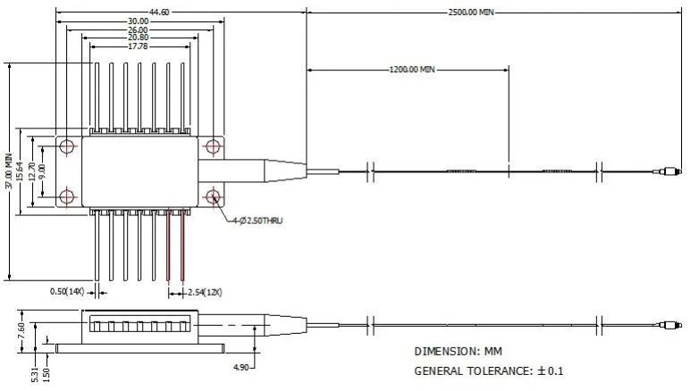
● Ipari szabványnak megfelelő 14 tűs pillangócsomag;
● Beépített TEC és optikai leválasztó;
● Nagy teljesítményű, többkvantumkutatós (MQW) elosztott visszacsatolású (DFB) lézer.
● Passzív alkatrészek gyártási tesztelése gázérzékeléshez;
● Fiber gázérzékelő rendszer;
● Lézerforrások.
| Paraméter | Szimbólum | Állapot | Min. | Typ. | Max. | Egység |
| Középső hullámhossz | lc | Tl = 15 ~ 35 ℃ qu | 1652.7 | 1653.7 | 1654.7 | nm |
| Optikai kimeneti teljesítmény | Után | CW | - | 40 | - | mW |
| LD küszöbáram | ITH | CW | - | 15 | 40 | mA |
| LD Forward áram | Ha | Pf = Névleges teljesítmény | - | 300 | 400 | mA |
| Optikai leválasztás | - | -10 < TC < +70 ℃ | 30 | - | - | dB |
| Oldalsó üzemmód elnyomási arány | SMSR | CW | 35 | 40 | - | dB |
| Figyelje a reakciókészséget | Oltás | - | - | 1 | 20 | volt / mw |
| Figyelje a válaszkészség stabilitását | - | - | - | - | 20% | - |
| Figyelje a sötét áramot | Id | VPD = 5V | - | - | 50 | nA |
| TEC áram | ITEC | Tcase = 75 ℃ | - | - | 2 | A |
| TEC feszültség | VTEC | Tcase = 75 ℃ | - | - | 3.5 | V |
| TEC energiafogyasztás | P | Tstg = 25 ℃ | - | - | 5 | W |
| Termisztor ellenállás | Rth | Tcase = 75 ℃ | 9.5 | 10 | 10.5 | Kohm |
| B termisztor állandó | Bth | Tstg = 25 ℃ | - | 3900 | - | K |
| Hullámhossz eltolódás (EOL) | △λ | 25 éves élettartam alatt tesztelték | - | - | ±0,1 | nm |
| Hullám. Hőmérsékleti együttható | Dl/Dt | TEC hőmérséklet 15 ℃ és 35 ℃ között | - | 0.09 | - | nm/℃ |
| Hullámhossz Áram együttható | Dl/DI | - | - | 0.01 | - | NM / in |

Minden terméket teszteltek a kiszállítás előtt;
Minden termékre 1 év garancia vonatkozik. (A minőségi garanciális időszak lejárta után megfelelő karbantartási szolgáltatási díjat kell fizetni.)
Nagyra értékeljük vállalkozását, és azonnali 7 napos visszaküldési politikát kínálunk. (7 nappal a tételek átvétele után);
Ha az üzletünkben vásárolt termékek nem tökéletes minőségűek, azaz nem működnek elektronikusan a gyártó specifikációi szerint, egyszerűen küldje vissza őket csere vagy visszatérítés céljából;
Ha a tételek hibásak, kérjük, értesítsen minket a kézbesítéstől számított 3 napon belül;
Bármely tételt eredeti állapotában kell visszaküldeni ahhoz, hogy visszatérítésre vagy cserére jogosult legyen;
A vevőt terheli minden felmerülő szállítási költség.
K: Mi a hullámhossz pontossága?
A: +/-0,5 nm.
K: Vannak más verziói a kimeneti teljesítményről?
V: 10mW, 15mW, 50mW.
C-sávos keskeny vonalszélességű integrált hangolható lézeregység ITLA
1550 nm 40 mW 200 khz keskeny vonalszélességű DFB pillangó lézerdióda
1550 nm 40 mW 600 khz DFB Butterfly csomag keskeny vonalú lézerdióda
1550 nm 50 mW 100 khz keskeny vonalszélességű DFB pillangó lézerdióda
1550nm 2mW 5mW keskeny vonalszélességű koaxiális lézerdióda
1550nm 100MW 100 kHz keskeny vonalszélességű DFB lézerdióda BTF SM/PM szálakkalCopyright @ 2020 Shenzhen Box Optronics Technology Co., Ltd. - Kína száloptikai modulok, szálas kapcsolt lézerek gyártói, lézer alkatrészek beszállítói Minden jog fenntartva.