Az 1653 nm-es, 40 mW-os DFB lézerdióda metánérzékelőhöz CH4 A érzékelő sík konstrukciót használ chippel az alvivőn. A nagy teljesítményű chip hermetikusan lezárt epoxi- és fluxusmentes 14 tűs pillangós csomagban, és termisztorral, termoelektromos hűtővel és monitordiódával van felszerelve a kiváló minőségű lézerteljesítmény biztosítása érdekében. Lézertermékeink Telcordia GR-468 minősítéssel rendelkeznek, és megfelelnek az RoHS irányelveknek.
Az 1653 nm-es, 40 mW-os DFB lézerdióda metánérzékelőhöz CH4 A érzékelő sík konstrukciót használ chippel az alvivőn. A nagy teljesítményű chip hermetikusan lezárt epoxi- és fluxusmentes 14 tűs pillangós csomagban, és termisztorral, termoelektromos hűtővel és monitordiódával van felszerelve a kiváló minőségű lézerteljesítmény biztosítása érdekében. Lézertermékeink Telcordia GR-468 minősítéssel rendelkeznek, és megfelelnek az RoHS irányelveknek.
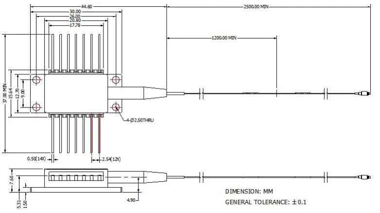
Ipari szabvány 14 tűs pillangócsomag;
Beépített TEC és optikai leválasztó;
Nagy teljesítményű, többkvantumkutatós (MQW) elosztott visszacsatolású (DFB) lézer.
Passzív alkatrészek gyártási tesztelése gázérzékeléshez;
Fiber gázérzékelő rendszer;
Lézeres források.
| Paraméter | Szimbólum | Állapot | Min. | Typ. | Max. | Egység |
| Középső hullámhossz | λc | TL=15~35℃ CW | 1652.7 | 1653.7 | 1654.7 | nm |
| Optikai kimeneti teljesítmény | Po | CW | - | 40 | - | mW |
| LD küszöbáram | ITH | CW | - | 15 | 40 | mA |
| LD Forward áram | Ha | Pf = Névleges teljesítmény | - | 300 | 400 | mA |
| Optikai leválasztás | - | -10 < TC < +70 ℃ | 30 | - | - | dB |
| Oldalsó üzemmód elnyomási arány | SMSR | CW | 35 | 40 | - | dB |
| Figyelje a reakciókészséget | Im /Pf | - | - | 1 | 20 | uA/mW |
| Figyelje a válaszkészség stabilitását | - | - | - | - | 20% | - |
| Figyelje a sötét áramot | Id | VPD = 5V | - | - | 50 | nA |
| TEC áram | ITEC | Tcase = 75 ℃ | - | - | 2 | A |
| TEC feszültség | VTEC | Tcase = 75 ℃ | - | - | 3.5 | V |
| TEC energiafogyasztás | P | Tstg = 25 ℃ | - | - | 5 | W |
| Termisztor ellenállás | Rth | Tcase = 75 ℃ | 9.5 | 10 | 10.5 | Kohm |
| B termisztor állandó | Bth | Tstg = 25 ℃ | - | 3900 | - | K |
| Hullámhossz eltolódás (EOL) | △λ | 25 éves élettartam alatt tesztelték | - | - | ±0,1 | nm |
| Hullám. Hőmérsékleti együttható | Δλ/ΔT | TEC hőmérséklet 15 ℃ és 35 ℃ között | - | 0.09 | - | nm/℃ |
| Hullámhossz Áram együttható | Δλ/ΔΙ | - | - | 0.01 | - | nm/mA |

Minden terméket teszteltek a kiszállítás előtt;
Minden termékre 1-3 év garancia vonatkozik. (A minőségi garanciális időszak lejárta után megfelelő karbantartási szolgáltatási díjat kell felszámítani.)
Nagyra értékeljük vállalkozását, és azonnali 7 napos visszaküldési politikát kínálunk. (7 nappal a tételek átvétele után);
Ha az üzletünkben vásárolt termékek nem tökéletes minőségűek, azaz nem működnek elektronikusan a gyártó specifikációi szerint, egyszerűen küldje vissza őket csere vagy visszatérítés céljából;
Ha a tételek hibásak, kérjük, értesítsen minket a kézbesítéstől számított 3 napon belül;
Bármely tételt eredeti állapotában kell visszaküldeni ahhoz, hogy visszatérítésre vagy cserére jogosult legyen;
A vevőt terheli minden felmerülő szállítási költség.
K: Mi a hullámhossz pontossága?
A: +/-0,5 nm.
K: Vannak más verziói a kimeneti teljesítményről?
V: 10mW, 15mW, 50mW.
1512 nm 10 mW DFB 14 PIN-es pillangólézer NH3 érzékeléshez
1392 nm-es DFB Butterfly lézerdióda nedvesség-H2O érzékeléshez
1653 nm-es DFB Butterfly lézerdióda CH4 érzékeléshez
1567 nm-es DFB Butterfly lézerdióda CO-érzékelőhöz
1578 nm 10 mW DFB lézerdióda hidrogén-szulfid érzékeléshez
1580 nm-es DFB Butterfly lézerdióda a CO2 észleléséhezCopyright @ 2020 Shenzhen Box Optronics Technology Co., Ltd. – Kína száloptikai modulok, üvegszálas csatolású lézergyártók, lézerkomponensek beszállítói. Minden jog fenntartva.