1060nm 25dB SOA félvezető optikai erősítő
  • 1060nm 25dB SOA félvezető optikai erősítő 1060nm 25dB SOA félvezető optikai erősítő
  • 1060nm 25dB SOA félvezető optikai erősítő 1060nm 25dB SOA félvezető optikai erősítő
  • 1060nm 25dB SOA félvezető optikai erősítő 1060nm 25dB SOA félvezető optikai erősítő
  • 1060nm 25dB SOA félvezető optikai erősítő 1060nm 25dB SOA félvezető optikai erősítő

1060nm 25dB SOA félvezető optikai erősítő

A 1060NM 25DB SOA SEA félvezető optikai erősítő termék sorozatát elsősorban az optikai jelerősítéshez használják, és jelentősen növelhetik a kimeneti optikai teljesítményt. A termékek nagy nyereséggel rendelkeznek, alacsony teljesítményűek A fogyasztás és a polarizáció karbantartása többek között, és a belföldön ellenőrizhető technológiával teljes mértékben feldolgozható.

Kérdés küldése

termékleírás

A 1060NM 25DB SOA SEA félvezető optikai erősítő termék sorozatát elsősorban az optikai jelerősítéshez használják, és jelentősen növelhetik a kimeneti optikai teljesítményt. A termékek többek között nagy nyereséggel, alacsony energiával és polarizációs karbantartással rendelkeznek, és a belföldön irányítható technológiával teljes mértékben feldolgozhatók.


Jellemző

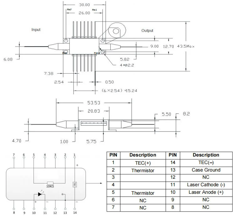
● 14pin pillangócsomag;
● alacsony zajszint és alacsony polarizációs függőség;
● SMF-28E szál FC/APC csatlakozóval.
● Megbízhatóság: Telcordia GR-468. Rohs


Alkalmazás

● A szálas optikai kapcsolat és a kapcsoló veszteségkompenzációja
● Orvosi OCT;
● söpörési frekvencia forrás, hangolható lézer;

Elektro-optikai jellemzők (t = 25 ℃)

Paraméter Szimbólum Állapot Min. Typ. Max. Egység
Működési hullámhossz lopeak 25 ℃, pin = 0DBM - 1060 - nm
ASE középső hullámhossz enged 25 ℃, ha = 400 mA - 1070 - nm
-3dB nyereség sávszélesség ΔL PIN = -20DBM - 50 - nm
Telítettség optikai teljesítmény PMAX Ha = 400 mA,
PIN = 5DBM@1060NM
- 15 - DBM
Kis jelnövekedés SSG Ha = 400 mA,
Pin = -25dbm@1060nm
- 25 - db
Polarizációtól függő nyereség Vezérigazgató 25 ℃, ha = 400 mA db
Működési áram HA - 20 - - majom
Előremenő feszültség Vf - - 400 600 V
Zajfigura Közönség 25 ℃, ha = 400 mA, @1060nm - - 2.0 db
TEC áram LTEC - - - 1.8 A
TEC feszültség VTEC - - 10 3.4 V
Termisztor ellenállás Rtherm T = 25 ℃ 9.5 10 10.5
Termisztoráram litherma - - - 5 majom
Teljes teljesítmény P - - - 4 w
Működési eset hőmérséklete Felső I = ha -10 - 70
Tárolási hőmérséklet TS - -40 - 85


Csomag rajz és pin-out meghatározás (egység: mm)

1060nm 25db Soa Semiconductor Optical Amplifier


Tipikus jellegzetes görbe

1060nm 25db Soa Semiconductor Optical Amplifier


Szállítás, szállítás és kiszolgálás

Az összes terméket kiszállítás előtt tesztelték;

Minden terméknek 1 év garanciája van. (Miután a minőségi garancia -időszak megkezdte a megfelelő karbantartási szolgáltatási díjat.)

Nagyra értékeljük vállalkozását, és azonnali 7 napos visszatérési politikát kínálunk. (7 nappal az elemek fogadása után);

Ha a boltunkból vásárolt tételek nem tökéletesítettek, azaz nem dolgoznak elektronikusan a gyártók specifikációihoz, egyszerűen adják vissza nekünk cseréje vagy visszatérítés céljából;

Ha a tételek hibás, kérjük, értesítsen minket a kézbesítés utáni 3 napon belül;

Bármely tételt vissza kell adni eredeti állapotukban, hogy visszatérítést vagy cserét jogosultak;

A vevő felelős az összes felmerült szállítási költségért.


1060nm 25db Soa Semiconductor Optical Amplifier


GYIK

K: Mi a szükséges hullámhossz?

V: 1550NM 1310NM 1270NM 1060NM SOA lézerdiódunk van.


K: Mi a követelmény a kimeneti teljesítményre?

V: A Box Optronics testreszabható az Ön igényei szerint.


Hot Tags: 1060NM 25dB SOA félvezető optikai erősítő, gyártók, beszállítók, nagykereskedelem, gyár, testreszabott, ömlesztett, kínai, Kínában készült, olcsó, alacsony ár, minőség

Kapcsolódó kategória

Kérdés küldése

Kérdését az alábbi űrlapon adja meg. 24 órán belül válaszolunk.
X
Cookie-kat használunk, hogy jobb böngészési élményt kínáljunk, elemezzük a webhely forgalmát és személyre szabjuk a tartalmat. Az oldal használatával Ön elfogadja a cookie-k használatát. Adatvédelmi szabályzat
Elutasít Elfogadás