1550nm 25dB SOA félvezető optikai erősítő
  • 1550nm 25dB SOA félvezető optikai erősítő 1550nm 25dB SOA félvezető optikai erősítő
  • 1550nm 25dB SOA félvezető optikai erősítő 1550nm 25dB SOA félvezető optikai erősítő
  • 1550nm 25dB SOA félvezető optikai erősítő 1550nm 25dB SOA félvezető optikai erősítő
  • 1550nm 25dB SOA félvezető optikai erősítő 1550nm 25dB SOA félvezető optikai erősítő

1550nm 25dB SOA félvezető optikai erősítő

Az 1550 nm -es 25dB SOA félvezető optikai erősítő termék sorozatát elsősorban az optikai jelerősítéshez használják, és jelentősen növelhetik a kimeneti optikai teljesítményt. A termékek nagy nyereséggel rendelkeznek, alacsony teljesítményűek A fogyasztás és a polarizáció karbantartása többek között, és a belföldön ellenőrizhető technológiával teljes mértékben feldolgozható.

Kérdés küldése

termékleírás

Az 1550 nm -es 25dB SOA félvezető optikai erősítő termék sorozatát elsősorban az optikai jelerősítéshez használják, és jelentősen növelhetik a kimeneti optikai teljesítményt. A termékek többek között nagy nyereséggel, alacsony energiával és polarizációs karbantartással rendelkeznek, és a belföldön irányítható technológiával teljes mértékben feldolgozhatók.


Jellemző

● 40 g és 100 g C-sávú blokkoló redőny vagy moduláció;
● 14pin pillangócsomag;
● alacsony zajszint és alacsony polarizációs függőség;
● PM1550 szál FC/APC csatlakozóval.
● Megbízhatóság: Telcordia GR-468. Rohs


Alkalmazás

● A szálas optikai kapcsolat és a kapcsoló veszteségkompenzációja
● WDM szálas optikai hálózatok;
● MOPA (Master Oszciilátor teljesítményerősítője lézer;


Elektro-optikai jellemzők (t = 25 ℃)

Paraméter Szimbólum Állapot Min. Typ. Max. Egység
Működési hullámhossz lopeak 25 ℃, pin = 0DBM - 1550 - nm
ASE középső hullámhossz enged 25 ℃, ha = 1000 mA - 1490 - nm
-3dB nyereség sávszélesség ΔL Pin = -10dbm, ha = 1000 mA - 100 - nm
Telítettség optikai teljesítmény PMAX Ha = 1000 mA,
PIN = 5DBM@1550NM
- 23 - DBM
Kis jelnövekedés SSG Ha = 1000 mA,
PIN = -25DBM@1550NM
30 35 - db
Működési áram HA - - 1000 1200 majom
Előremenő feszültség Vf - - 2.4 2.6 V
Zajfigura Közönség 25 ℃, ha = 1000 mA, @1550nm - 6 8 db
Leállási kipusztító adag Az Ha = 1000 mA/ha = 0Ma,
Pin = 0DBM
- 35 - db
TEC áram LTEC - - - 1.8 A
TEC feszültség VTEC - - 400 3.4 V
Termisztor ellenállás Rtherm T = 25 ℃ 9.5 10 10.5
Termisztoráram litherma - -2 - 5 majom
Teljes teljesítmény P - - - 4 w
Működési eset hőmérséklete Felső I = ha -10 - 70
Tárolási hőmérséklet TS - -40 - 85


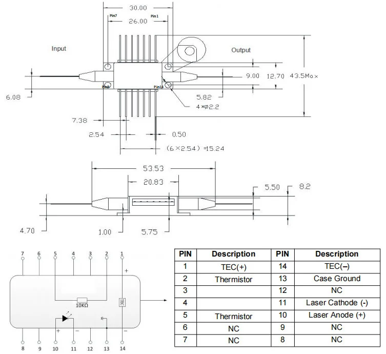
Csomag rajz és pin-out meghatározás (egység: mm):

1550nm 25db Soa Semiconductor Optical Amplifier


Tipikus jellegzetes görbe

1550nm 25db Soa Semiconductor Optical Amplifier

1550nm 25db Soa Semiconductor Optical Amplifier


Szállítás, szállítás és kiszolgálás

Az összes terméket kiszállítás előtt tesztelték;

Minden terméknek 1 év garanciája van. (Miután a minőségi garancia -időszak megkezdte a megfelelő karbantartási szolgáltatási díjat.)

Nagyra értékeljük vállalkozását, és azonnali 7 napos visszatérési politikát kínálunk. (7 nappal az elemek fogadása után);

Ha a boltunkból vásárolt tételek nem tökéletesítettek, azaz nem dolgoznak elektronikusan a gyártók specifikációihoz, egyszerűen adják vissza nekünk cseréje vagy visszatérítés céljából;

Ha a tételek hibás, kérjük, értesítsen minket a kézbesítés utáni 3 napon belül;

Bármely tételt vissza kell adni eredeti állapotukban, hogy visszatérítést vagy cserét jogosultak;

A vevő felelős az összes felmerült szállítási költségért.


1550nm 25db Soa Semiconductor Optical Amplifier


GYIK

K: Mi a szükséges hullámhossz?

V: 1550NM 1310NM 1270NM 1060NM SOA lézerdiódunk van.


K: Mi a követelmény a kimeneti teljesítményre?

V: A Box Optronics testreszabható az Ön igényei szerint.


Hot Tags: 1550 nm 25dB SOA félvezető optikai erősítő, gyártók, beszállítók, nagykereskedelem, gyár, testreszabott, ömlesztett, kínai, Kínában készült, olcsó, alacsony ár, minőség

Kapcsolódó kategória

Kérdés küldése

Kérdését az alábbi űrlapon adja meg. 24 órán belül válaszolunk.
X
Cookie-kat használunk, hogy jobb böngészési élményt kínáljunk, elemezzük a webhely forgalmát és személyre szabjuk a tartalmat. Az oldal használatával Ön elfogadja a cookie-k használatát. Adatvédelmi szabályzat
Elutasít Elfogadás